Единая справочная служба:

Копирование материала с сайта без гиперссылки на источник запрещено. E-mail: voznes47@academy-doors.ru

Каталог

Умная входная дверь Ягуар Penta Itec Touch Screen

Компания Двери Ягуар с гордостью представляет свой самый инновационный продукт - Penta Itec Touch, дверь со встроенным монитором.

  • Это умная дверь которая оснащена встроенным монитором, позволяющим вам видеть, кто находится за дверью, не открывая ее. Вы можете общаться с посетителем, не выходя из дома, и даже открыть дверь удаленно.
  • Кроме того, она имеет стильный дизайн, который подойдет к любому интерьеру, доступна в различных цветах и отделках, чтобы вы могли выбрать ту, которая лучше всего подходит для вашего дома.
  • Мы уверены, что Penta Itec Touch станет незаменимым помощником в вашем доме. Она обеспечит безопасность и комфорт, а также добавит стиль и современность вашему интерьеру.

Описание

Наша компания создала умную дверь, которая отличается высокой технологичностью и надежностью. Она обеспечивает безопасность и комфорт, а также может быть подключена к системам умного дома и контроля доступа. Умная дверь оснащена 10-пальцевым мульти-тач IPS экраном с диагональю 27", что позволяет работать с ней так же, как на смартфоне.

Дверь имеет выдвижную систему быстрого обслуживания, которая позволяет производить блочную замену компонентов и апгрейд без демонтажа двери или панелей. Также доступна опция подключения HD камеры для видеозвонков и видеонаблюдения. Устройство работает на базе свежего Андроид, что позволяет устанавливать все необходимые программы. Мы учли все требования по электро-безопасности внутри двери, установили специальные кабелепроходы для проводки и закрепили все компоненты прочно.

Применение

  • На большом экране двери вы можете использовать популярные погодные и новостные приложения, чтобы быть в курсе последних новостей и погоды перед выходом из дома.
  • Наша дверь совместима с различными инфраструктурами умных домов, включая MiHome. Вы также можете использовать ее как стикерную доску для заметок, уведомлений и рисования.
  • Вы можете отправлять сообщения на дверь из мессенджеров и вести голосовые и видеовызовы прямо с двери.
  • Применений нашей умной двери множество, и вы можете выбрать те, которые подходят именно вам.

Подключение

Установка умной двери практически не отличается от установки обычной стальной двери, за исключением некоторых особенностей:

  • Умная дверь не предназначена для установки на улице.
  • Для работы устройства необходимо подключение к источнику питания 12В/5В.

При первом включении двери необходимо выполнить следующие действия:

  • Подключить устройство к интернету через WiFi. Роутер должен находиться в прямой видимости на расстоянии не менее 5 метров от двери и поддерживать диапазоны
    2.4Ghz и 5Ghz.
  • Удалить демонстрационный аккаунт Google или создать новый (можно использовать существующий аккаунт Google).
  • При необходимости можно удалить или перенастроить удаленного технического помощника по настройке TeamViewer Host.
  • Показать работу устройства.

Дополнительные настройки:

  • Настройка и привязка мессенджеров Telegram / Skype или Whatsapp (обратите внимание, что можно использовать только один аккаунт Whatsapp на двери или в телефоне).
  • Подключение к системам IP видеонаблюдения или умным домам через браузер.
  • Установка программного обеспечения умных домов, камер видеонаблюдения, IP сигнализаций и т.п.
  • Подключение к видеодомофонам IP типа.
  • Настройка платного программного обеспечения.

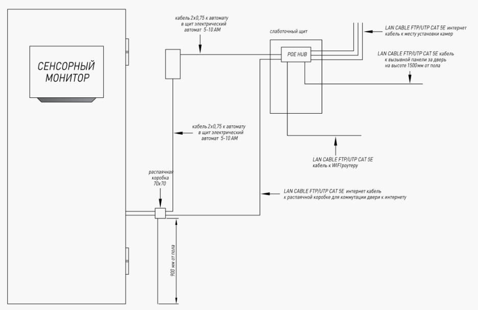
Cхема подключения

нажмите, чтобы посмотреть

Характеристики

Работа с памятью

Интерфейс динамической памяти (DDR3 / DDR3L / LPDDR3 / LPDDR4): Совместим со стандартом JEDEC DDR3-1866 / DDR3L-1866 / LPDDR3-1866 / LPDDR4 SDRAM

Поддерживает 2 канала, каждый канал имеет ширину данных 16 или 32 бит. Поддержка до 2 рангов (выбор чипа) для каждого канала

Максимальный объем оперативной памяти 4 Гб

Интерфейс eMMC: полностью соответствует спецификации JEDEC eMMC 5.1 и eMMC 5.0. Поддержка HS400, HS200, DDR50 и устаревших режимов работы

Интерфейс SD / MMC: Есть 2 MMC-интерфейса, которые могут быть сконфигурированы как SD / MMC или SDIO. Совместим с SD3.0, MMC ver4.51

Аппаратный видеодекодер MPEG-1, MPEG-2, MPEG-4, H.263, H.264, H.265, VC-1, VP9, VP8, MVC

H.264 10 бит до уровня HP 5.1: 2160p при 60 кадрах в секунду (4096×2304)

VP9: 2160p при 60 кадрах в секунду (4096×2304)

H.265 / HEVC 10 бит: 2160p при 60 кадрах в секунду (4096×2304)

MPEG-4 до уровня ASP 5: 1080p при 60 кадрах в секунду (1920×1088)

MPEG-2 до MP: 1080p при 60 кадрах в секунду (1920×1088)

MPEG-1 до MP: 1080p при 60 кадрах в секунду (1920×1088)

H.263: 576p при 60 кадрах в секунду (720×576)

VC-1 до уровня AP 3: 1080p при 30 кадра в секунду (1920×1088)

VP8: 1080p при 60 кадрах в секунду (1920×1088)

MVC: 1080p при 60 кадрах в секунду (1920×1088)

Системные компоненты

Таймер: 14 встроенных 64 битов Таймеры в SoC с прерыванием для небезопасного приложения. 12 встроенных 64-битных таймеров Таймеры в SoC с функцией прерывания для безопасного приложения

PWM: четыре встроенных PWM с прерыванием

WatchDog: три сторожевых устройства в SoC с шириной счетчика 32 бит

CPU

Двухъядерный процессор ARM Cortex-A72 MPCore и четырехъядерный процессор ARM Cortex-A53 MPCore

Два кластера процессоров. Большой кластер с двухъядерным процессором Cortex-A72 оптимизирован для высокопроизводительного и небольшого кластера с четырехъядерным процессором Cortex-A53 оптимизирован для работы с низким энергопотреблением

Полная реализация набора команд ARM v8-A, ARM Neon Advanced SIMD (одна команда, несколько данных) поддержка ускорения обработки медиа и обработки сигналов CCI500 обеспечивает согласованность памяти между двумя кластерами

Каждый Cortex-A72 интегрирует кэш инструкций LK48KB и 32KB L1 кеш данных с 4-позиционной ассоциативной ассоциацией. Каждый Cortex A53 интегрирует кэш инструкций 32 КБ L1 и кэш данных L1 объемом 32 Кб отдельно с 4-позиционной ассоциативной ассоциацией

1 Мб унифицированного кэш-памяти второго уровня для большого кластера, 512 Кбайт унифицированного кэша L2 для небольшого кластер

Поддержка технологии Trustzone

GPU

Mali-T860MP4 GPU, поддержка OpenGL ES1.1 / 2.0 / 3.0, OpenCL1.2, DirectX11.1

Встроенные 4 шейдерных ядра с общим иерархическим тилером

Аудио

I2S / PCM: три I2S / PCM в SoC. I2S0 / I2S2 поддерживают до 8 каналов TX и 8 каналов RX. I2S1 поддерживает до 2 каналов TX и 2 канала RX. I2S2 подключен к HDMI и DisplayPort внутренне.I2S0 и I2S1 открыты для периферийных устройств

SPDIF: поддержка двух 16-разрядных данных аудиоданных вместе в одном 32-битном местоположении. Поддержка двухфазного стерео. Поддержка аудио-данных от 16 до 31 бит влево или вправо, выровненных в буфере данных с 32-битной шириной. Поддержка передачи аудиоданных 16, 20, 24 бита в линейном режиме PCM

Поддержка интерфейсов подключения

Интерфейс SDIO: совместим с протоколом SDIO 3.0

Контроллер Ethernet GMAC 10/100 / 1000M: поддерживает скорость передачи данных 10/100/1000-Mbps с интерфейсами RGMII. Поддержка скорости передачи данных 10/100 Мбит/с с интерфейсами RMII

Контроллер SPI: 6 встроенных SPI-контроллеров внутри

USB Host2.0: Встроенные интерфейсы 2 USB 2.0 Host

USB OTG3.0: Встроенные 2 USB-интерфейса OTG3.0

PCIe: один порт PCIe, совместимый со спецификацией PCI Express Base версии 2.1

Матрица монитора

Электропитание монитора

Тип блокапитания внешний

Энергопотребление 28 Вт

Энергопотребление в режиме ожидания менее 0.5 Вт

Особенности

Защита зрения есть

Дополнительные характеристики

Гарантия 12 мес.

OS: ANDROID 11 / Free os sertificed Google PLAY возможность привязки к аккаунту google и скачивания любых приложений.

Интерфейсы и разъемы

Количество разъемов HDMI 1 шт

Количество разъемов DisplayPort 1 шт

Количество разъемов VGA(D-SUB) 1 шт

Мультимедиа

Поддержка HDTV FULL HD (1080p)

Встроенные динамики есть

Выход нанаушники есть

Разъем подключения наушников 3.5 мм

Характеристики экрана

Размер экрана 27"

Разрешение экрана 1920x1080

Частота обновления 75 Гц

Соотношение сторонэкрана 16:9

Тип матрицы IPS

Статическая контрастность 1000:1

Динамическая контрастность 1000000:1

Яркость экрана 250 кд/м2

Время отклика 5 мс

Время отклика(GTG) 5 мс

Углы обзора 178° по горизонтали, 178° по вертикали

Шаг пикселя 0.311 х 0.311 мм

Сенсор

Тип оборудования Сенсорное стекло

Диагональ 27 дюймов

Технология сенсорного экрана Проекционно-емкостная

Кол-во касаний 10 одновременных касаний, мультитач

Время отклика сенсорного экрана 8 мс.

Активная область 601 х 340 мм.

Разрешение 4096 х 4096

Соотношение сторон 16:9

Интерфейс сенсорного экрана

USB интерфейс

Выход сенсорного экрана

По короткой стороне, По длинной стороне

Рабочая температура 5~40°C

Рабочая влажность 40%~95%

Температура хранения 5~35°C

Влажность хранения 10%~95%

Комплектация USB кабель — 1 шт., Контроллер — 1 шт., Плёнка — 1шт.

Размеры (ШхВхГ) 640 х 384 х 4.25 мм.

Сертификаты и стандарты Декларация о соответствии требованиям ТР ТС 020/2011